Outils pour utilisateurs

Outils du site


wiki:god:drony_peip:construction_chassis

Construction du châssis

Une belle galère

Au commencement, il y avait un projet “écolo” avec du bois et tout. Le châssis du drone devait être composé d'un sandwich Balsa-Fr4. Qu'est ce que le Fr4 (Normalement vous le savez déjà) ? Qu'est ce qu'un sandwich ? Peu importe, c'était nul et cela n'a pas fonctionné !!

Un sandwich, ou matériaux composite (pour ceux qui aime bien les mots scientifiques) est un matériaux constitué de plusieurs matériaux : Dans notre cas, on pince une planche de Balsa (du bois très, très léger mais très fragile1)) entre 2 couches de FR42) de 0,5mm qui a la propriété d’être très résistant mais très souple. On vous fait pas un dessin… ou si : Lorsque que l'on tord/plie un matériau uniforme, une surface s'étire et l'autre se compresse. Pour éviter cela on augmente l'épaisseur du matériaux, sauf cela augmente considérablement le poids. Il faut donc trouver une alternative… Si vous avez suivi et que vous êtes perspicace (ou que vous êtes affamé) vous pensez au sandwich ! En effet, le matériaux “coeur” très léger est parfait pour avoir une grande épaisseur et les matériaux “peaux” sont là pour empêcher la déformation !

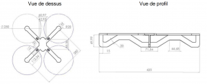
Voici Le chassis v1 sans le poids de la colle :

Malheureusement, ce magnifique v1 n'a pas survécu aux assauts répétés de ses loopings ratés :

Pour avoir des détails sur la réalisation de ce chassis, cliquez ici : Construction du châssis en balsa

En tout bon ingénieurs, cela ne nous a pas arrêté3) et nous avons élaborez la v2.

Nous avons cherchez un matériaux léger,flexible et résistant (Le Balsa est très bien dans la limite où le châssis ne prend pas de chocs car il casse très facilement et partait littéralement en morceau entre le FR4 …), la mousse polyuréthane(PU) rempli parfaitement toutes ces conditions, et oui nous avons fait un drone en mousse !



Modélisation

Nous avons choisi de réaliser nous mêmes le châssis. Pour cela nous avons utiliser Solidwork. Pour ceux qui ne connaissent pas Solidwork, c'est un logiciel de design 3D vraiment puissant, les possibilités sont énormes mais rassurez vous tout est déjà prêt.

Voila ce que ça donne :

Dans un premier temps, téléchargez les plans, qui serviront à découper le FR4 :

lien_qui_casse_tout_1

lien_qui_casse_tout_2

lien_qui_casse_tout_3

Ces profils ont été obtenus via Solidwork, après que nous ayons modéliser notre drone.

Pour ceux qui maîtrisent le logiciel et veulent modifier l'allure du châssis, lisez cette parties/allez sur cette page…

Un fois les fichiers téléchargés, il ne vous reste plus qu'a faire chauffer la découpeuse laser !



Découpe du châssis

  • */!\ IMPORTANT /!\

Il est impossible de découper la mousse PU au laser, cela crée des vapeurs toxiques et potentiellement mortelles ! La découpeuse laser sert à découper les profil de FR4. Il y a en tout 8 parties à découper, réparties en 3 découpes. Découpe FR4 Aux (gros) ciseaux, découper la plaque de FR4 en morceaux de 30cm de large (taille maximale de la zone de travail prise en compte par la découpeuse). Puis, équipé d'une clé usb, charger les profils téléchargés précédemment, et demander à un responsable habilité à utiliser la découpeuse laser de vous lancer la découpe. Vérifier que les profil s'ouvrent à la bonne échelle, sinon les remettre à la bonne échelle. Découpe de la mousse Pour les pieds, découper des bandes de 46cm de long (on rajoute exprès de la longueur pour avoir des cales, des butées pour amortir les chutes). On a donc 2 bandes de 46x10cm. Pour la plateforme, faire un collage pour obtenir une croix, l’idéal est de faire un collage “puzzle” même si ce n'est pas prouvé, on suppose que cela augmente la résistance du collage. Illustration en image :



====Collage==== Arrivé a ce moment, vous devriez avoir : *4 Découpes de pieds en FR4 *4 Découpes de plateforme en FR4 *1 Une croix en mousse *2 Pieds en mousse On rappelle que les parties en mousse ne sont pas encore coupées de manière précise.
Tout les collages sont à faire à la Cyanolite, c'est une colle extra forte, le port de gants latex est vivement conseillé !! (Sans rire ça colle très très vite et très très fort les doigts)**

Il y a 2 façon de procéder : Soit vous coller les 2 faces en ayant fait des marquages très précis pour aligner les couches de FR4, puis vous découper vos collages à la scie-sauteuse (méthode économique en temps, si vous êtes rigoureux, sinon c'est la cata. Comme on est très rigoureux, on a fait ça)

Soit vous coller une face de FR4, vous découper votre collage en vous servant de FR4 comme guide pour la scie-sauteuse, puis vous avez juste à coller la 2e face de FR4 (méthode sure mais un peu plus longue)

[Des photos, pleins de photos !] La colle sur la photo n'est pas de la cyanolite, mais de la patex® assez pourrie, croyez- nous, la cyanolite c'est la vie !

Après collage et découpe, vous devriez obtenir quelque chose comme ça : [PHOTO]
On voit que la mousse (en plus clair) dépasse de 5mm environ sur les cotés, et d'environ 2cm en bas, ce qui servira de pieds amortisseurs pour le drone.

Finitions, Perçages des trous, encoches
Maintenant que vos découpes sont propres (les contours), il vous reste à percer les trous pour visser les moteurs et les encoches pour assembler le châssis.

Les encoches sont -normalement- déjà découpées dans le FR4 il ne vous reste plus qu'à percer la mousse avec la dremel. Il faut percer 4 encoches pour fixer les pieds au châssis, 4 trous pour les cables + 1 gros trou pour les câbles de la batterie.

Pour les trous des moteurs c'est un peu plus complexe, on vous laisse chercher :O

Pour continuer vers l'assemblage de l'électronique, c'est par ici : ->
Pour revenir à la page principale, c'est par là : ->

1)
Densité : 140kg/m3=140g/L
2)
Résine Epoxy, renforcé en fibre de verre
3)
à peine 3 semaines
wiki/god/drony_peip/construction_chassis.txt · Dernière modification: 2020/10/05 14:39 (modification externe)