Outils pour utilisateurs

Outils du site


wiki:projets:controleur-pont-h-60a
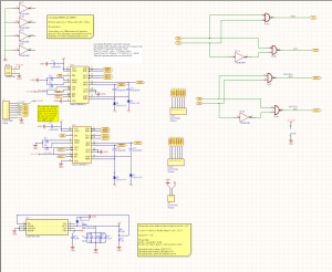
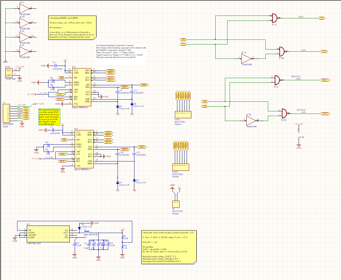
  • *Porteur du projet: Enrique Morell (contact: emorell96@hotmail.com) Date de début : Décembre/2016. L'objectif est de créer un contrôleur moteur capable de contrôler deux moteurs de haute puissance à un coût réduit. Je me suis rendu compte de ce besoin lors du projet robot où on a pris des moteurs de haute puissance d'une perceuse pouvant atteindre 70A au blocage! Or trouver un contrôleur moteur pouvant résister ce courant peut très facilement devenir très coûteux. Et des fois on paye pour des caractéristiques qu'on n'utilise pas. Pour ces raison j'ai décidé de créer un contrôleur simplifié mais qui aurait toutes les caractéristiques essentielles pour résister des hauts courants. Le projet a initialement été conçu comme une seule carte étant capable de controller deux moteurs. Avec l'avancement du projet je me suis rendu compte que les puissance devront passer par la carte seront trop élevées pour être dissipé de manière simple sur une seule carte. J'ai décidé de rendre le projet modulaire. C'est à dire à séparer la carte en deux: * Une partie pour la logique digitale, i.e. la partie chargée de “comprendre” l'arduino ou raspberry pi * Et une partie pour la haute puissance qui contiendra le pont H et qui chauffera et sera refroidit indépendamment de la carte logique. ====== Cahier des charges: ====== *Pont H à 2 voies, i.e., peut contrôler 2 moteurs. *Voltage batterie: 13 V - 30 V *Courant continu maxi: 60A-80A *N-channel mosfets pour maximiser l'efficience. *Utilisable avec l'Arduino Uno, i.e. 2 entrées par moteur: 1 PWM et un DIR High ou LOW pour le sens de rotation, et raspberry pi. ====== Machines nécessaires ====== *CIF *Et poste à souder. ====== Matériels nécessaires ====== ===== Divers ===== *Breadboard *Oscilloscope *GBF *Alimentation Stabilisée (fait pour batterie) ===== Electronique (cette liste évolue) ===== *4 diodes UF1002 ou UF1007. *2 HIP4081A (contrôleur mosfet full bridge) *8 MOSFET IRF3205 (référence peut changer si ses caractéristiques ne sont pas suffisantes pour atteindre les valeurs du cahier de charges) *LM2574-12 ou LM2574-ADJ régulateur de voltage à switch (plus efficace qu'un régulateur linéaire) ====== Bibliographie ====== Secrets des Ponts H de Modular Circuits (lecture recommandée si vous ne connaissiez pas les pont H en détail) http://www.modularcircuits.com/blog/articles/h-bridge-secrets/ Projet guide Open Source Motor Controller: http://www.robotpower.com/products/osmc_info.html ====== Schématique provisoire ====== Modifié le 11/09/2017 Schéma électrique de la partie haute puissance: Schéma électrique de la partie logique: Board finie: Nouveau Board: https://1drv.ms/b/s!AljDQF12JgJdj_NHzgXzwMWCGWuCiw en fichier pdf 3D. Partie Logique: Partie Haute Puissance: ===== Choix de Resistances pour le LM2574N ADJ ===== VOUT = VREF (1+R2/R1) où VREF = 1.23 V (voir datasheet) et VOUT = 12 V D'où R2 = R1*(VOUT/VREF -1). On fixe R1 = 1 kOhm, on a donc R2=8.76 kOhm. ===== Carnet de bord ===== 28 Novembre: Début du projet. Je décide de commencer ce projet avec le but de créer un contrôleur moteur respectant les charges du cahier de charges. Pour ceci il faut avant tout s'informer. Je suis occupé donc à lire la bibliographie. 1 Décembre 2016: Ayant déjà les mosfets (IRF3205) j'ai vérifié que les valeurs caractéristiques vérifient les valeurs nécessaires aux cahier de charges. Début de la création du .sch par le pont H. 6 Décembre 2016: Le schéma est fini (sauf éventuelles modification suivant le conseil de membres plus expérimentés) (Voir rubrique “Schema provisoire”) Fin juin 2017: Nouveau design fini (voir fichier pdf en ligne). Commande de la partie logique faite aussi. On reçoit la partie logique: Après avoir installé les composants à la main (sans utiliser le four à SMD) (SMD = Surface Mounted Devices = CMS en français): La partie logique à été testé: On lui donne un signal PWM en utilisant un générateur de tension (lui il simule un arduino ou raspberry Pi): Et on regarde que les sorties soient correct pour contrôler les MOSFETs qui copieront le signal PWM au moteurs: Les signaux sont copiés fidelement. Et dans l'image suivante on observe qu'on n'a pas de shoot through (voir bibliographie)(AHO et ALO ne sont jamais allumé en même temps: voir schema du pont H): Juillet et Août: Vacances d'été donc pas d'avancement. 9 septembre 2017: Commande de la partie haute puissance. Le 25/26 Septembre 2017 on devrait le recevoir. Projet en attente. Semaine du 25 septembre 2017: Soudage de la nouvelle pièce et premiers tests. Le channel 2 est fonctionnel hors le channel 1 a deux mosfets morts qui ont étés enlevés. On attendant les nouveaux mosfets on prepare une petite boite pour le projet en bois mdf 3mm. Semaine du 02 Octobre 2017: On rajoute une diode TVS et deux capacités bypass pour filtrer les piques de voltages générés par les moteurs. On rajoutera aussi des diodes TVS entre Source et Drain de chaque mosfet pour campler le voltage Vds. ====== Licence de ce projet: ====== https://creativecommons.org/licenses/by-nc-sa/4.0/
wiki/projets/controleur-pont-h-60a.txt · Dernière modification: 2020/10/05 14:39 (modification externe)