Outils pour utilisateurs

Outils du site


wiki:projets:forward_kinematics_robotics_arm

<ff sans-serif><fc #6495ed>Forward kinematics with a simple robotics arm</fc></ff> <note important>Mon projet nécessite peu de connaissances en électronique et informatique. Il a était conçu pour la compréhension de la cinématique directe et la conception d'un bras robotique. Cependant, il s'adresse à tous d'où sa simplicité. ;-)</note>

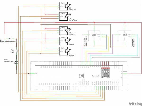
<note warning> 1. Pensez à étiqueter vos câbles 2. Regroupez les câbles par servomoteurs puis par affectations (p.e: groupe câbles d'alimentation, …) 3. Planifiez le nombres de ports par types pour choisir au mieux la carte Arduino et ainsi optimiser leur affectation.</note>

<note tip>Utilisez un bouton (O/I) d'arrêt d'urgence avec une RDEL en série reliée à la masse en guise d'indicateur. <note warning>Le bouton (O/I) d'arrêt d'urgence doit impérativement être monté en série. Pour dimensionner la résistance de la DEL, servez-vous de la Loi d'Ohm et la loi des mailles suivante: Varduino = Vr + Vdel avec Vr = R x Idel et Vdel = 1,2v. Idel devant être faible!!</note> <note important>Notez que le courant Ir = Idel.</note> </note>

<note tip>Utilisez un servomoteur comme pied et les micro-servomoteurs pour les autres liaisons.</note>

<note>Voici la liste de ce dont vous aurez besoin: 2 Joysticks, 4 micro-servomoteurs, 1 servomoteurs, 1 résistance, 1 bouton (O/I), 1 DEL et beaucoup de câbles mâles-mâles.</note>

LDAP: couldn't connect to LDAP server
wiki/projets/forward_kinematics_robotics_arm.txt · Dernière modification: 2017/04/14 15:58 de matthias_pideri