Outils pour utilisateurs

Outils du site


wiki:projets:rfid:capteur_particules_fines:prototype3

PROTOTYPE #3

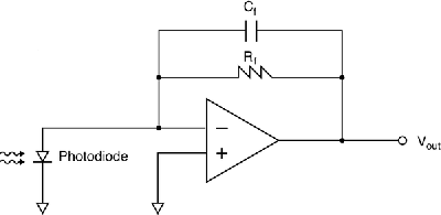
  • *principe Le montage précédent ne nous permet que de détecter des particules relativement grosses. En effet, le bruit dû au montage lui-même (fils électriques notamment) semble étouffer les signaux plus faibles. Pour cela, nous avons décidé de réaliser un circuit similaire mais sur PCB grâce à la CIF du PMClab. Dans le même temps, nous avons tenté d'amplifier plus fortement le signal émis par la photodiode pour détecter de plus faibles variations. Amplification du signal émis par la photodiode Nous utilisons pour cela un montage classique convertissant ce courant en tension, montage appelé généralement montage à transimpédance. L'idée de ce montage est d'injecter le courant de sortie (Iin) de la photodiode dans un AO et de boucler la sortie d'un AO sur son entrée - à l'aide d'une résistance (Rf), ce qui permet d'obtenir une tension de sortie (Vout) de l'AO: Vout = - (Rf * Iin). Pour effectuer ce montage, nous avons essayer de suivre les conseils de l'article “What's All This Transimpedance Amplifier Stuff, Anyhow?” de Bob Pease qui indique comment effectuer un montage à transimpédance fonctionnel (article concerné). Nous avons alors tenté d'effectuer le montage, en utilisant comme AO l'OPA344 (datasheet. Nous avons choisi cet AO car il fonctionne en 5V, ce qui était une contrainte dans notre projet. Malheureusement, la tension lue en sortie de l'AO n'était pas satisfaisante, et présentant une forte oscillation. En continuant la lecture de l'article, nous avons compris que cela était probablement du à la capacité interne de l'AO. Pour corriger ce phénomène, il est alors nécessaire de mettre une capacité en parallèle de la résistance. Le montage se trouve ci-dessous. Nous avons donc calculé les valeurs théoriques de la résistance et de la capacité à utiliser dans ce montage selon l'article, à partir des valeurs théoriques de la résistance interne et de la capacité interne trouvées sur les données du constructeur. Malheureusement, cela n'a pas amélioré la tension lue en sortie de l'AO, le signal présentant encore une oscillation. Pour améliorer ce montage, nous avons alors pensé à mettre une capacité variable, en pensant que le problème pouvait être dû aux imprécisions sur la valeur de la résistance interne et de la capacité interne de l'AO. Nous pouvons faire varier cette capacité jusqu'à obtenir un signal satisfaisant puis mesures la capacité correspondante. Malheureusement, nous n'avons toujours pas réussi à obtenir de signal satisfaisant en sortie de l'AO. En revanche, ayant recherché différentes façons de mesurer une capacité, nous souhaitons présenter brièvement ci-dessous une méthode très rapide. Mesure de la capacité d'un condensateur Il existe différentes façons de mesurer la capacité d'un condensateur. L'une des plus répandues est celle apprise dès le lycée consistant à étudier le temps de réponse de charge ou de décharge d'un montage RC, et de remonter alors à la valeur de la capacité avec une résistance connue. Cette méthode, souvent peu précise dans le cadre d'un laboratoire de lycée, peut en revanche être appliquée facilement à l'aide d'un arduino s'occupant à la fois de gérer la charge-décharge du circuit RC et du traitement de la réponse obtenue. La démarche et le code arduino sont disponibles sur le tutoriel d'Arduino CapacitanceMeter. circuit photos du circuit**

wiki/projets/rfid/capteur_particules_fines/prototype3.txt · Dernière modification: 2020/10/05 14:39 (modification externe)