Outils pour utilisateurs

Outils du site


wiki:projets:supracondensateur

Grahène Induit par Laser Vidéo de présentation du concept: https://youtu.be/oqOcOrZrG5Y

article de nature : https://www.nature.com/articles/ncomms6714

Pour mon Stage: caractérisation de supercapacités: J'ai pu fabriquer des supercondensateur au graphène (LIG) qui ressemble à ça :

au microscope optique ça donne ça:

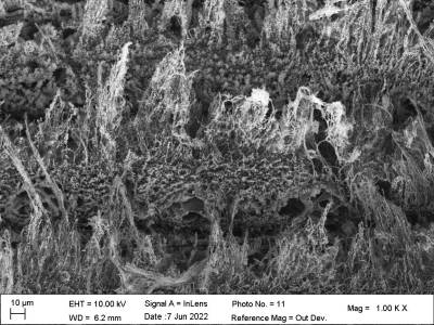
au Microscope Electronique a balayage ça donne ça

La diffraction de rayon X n'a pas donné de resultats concluant mais j'ai pu faire avec Adnane une caractérisation électrochimique de voltamétrie cyclique

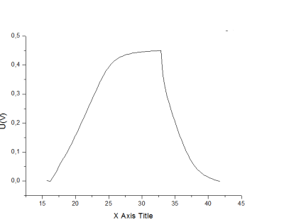
puis une ampérométrie galvanostatique

Et je vais pouvoir calculer une capacité.

Avec Adnane le doctorant nous avons ensuite eu l'idée de faire des super caps par abrasion d'un dépot de graphène fabriqué par voie hydrothermale, la caractérisation electrochimque à bien fonctionné!

LDAP: couldn't connect to LDAP server
wiki/projets/supracondensateur.txt · Dernière modification: 2022/06/07 14:48 de rene.meng@etu.sorbonne-universite.fr