Outils pour utilisateurs

Outils du site


wiki:projets:yaps:test

Expérience préliminaire

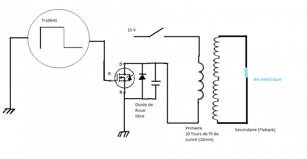
 Étant donné que notre flyback est un modèle récent,il y a plusieurs composants internes qui ne nous intéresse pas tel que des diodes ou des condensateur, c'est pour cela que nous allons _bypasser_ le primaire en enroulant 10 tours de fil de cuivre épais (10mm) sur la partie de la ferrite apparente.
 Voulant simplifier les choses au maximum aujourd'hui je me sers d'un générateur de fonctions pour piloter le MOSFET, le signal de commande est un signal carré de 10kHz, cela permet d'alterner aux bornes du primaire entre 0V et +15V.

Excuser le schéma sous paint mais documentation rapide oblige

wiki/projets/yaps/test.txt · Dernière modification: 2016/09/11 11:15 (modification externe)